Quick Guide

Overview

Introduction

Step 1. Site Survey

Step 2. Installation

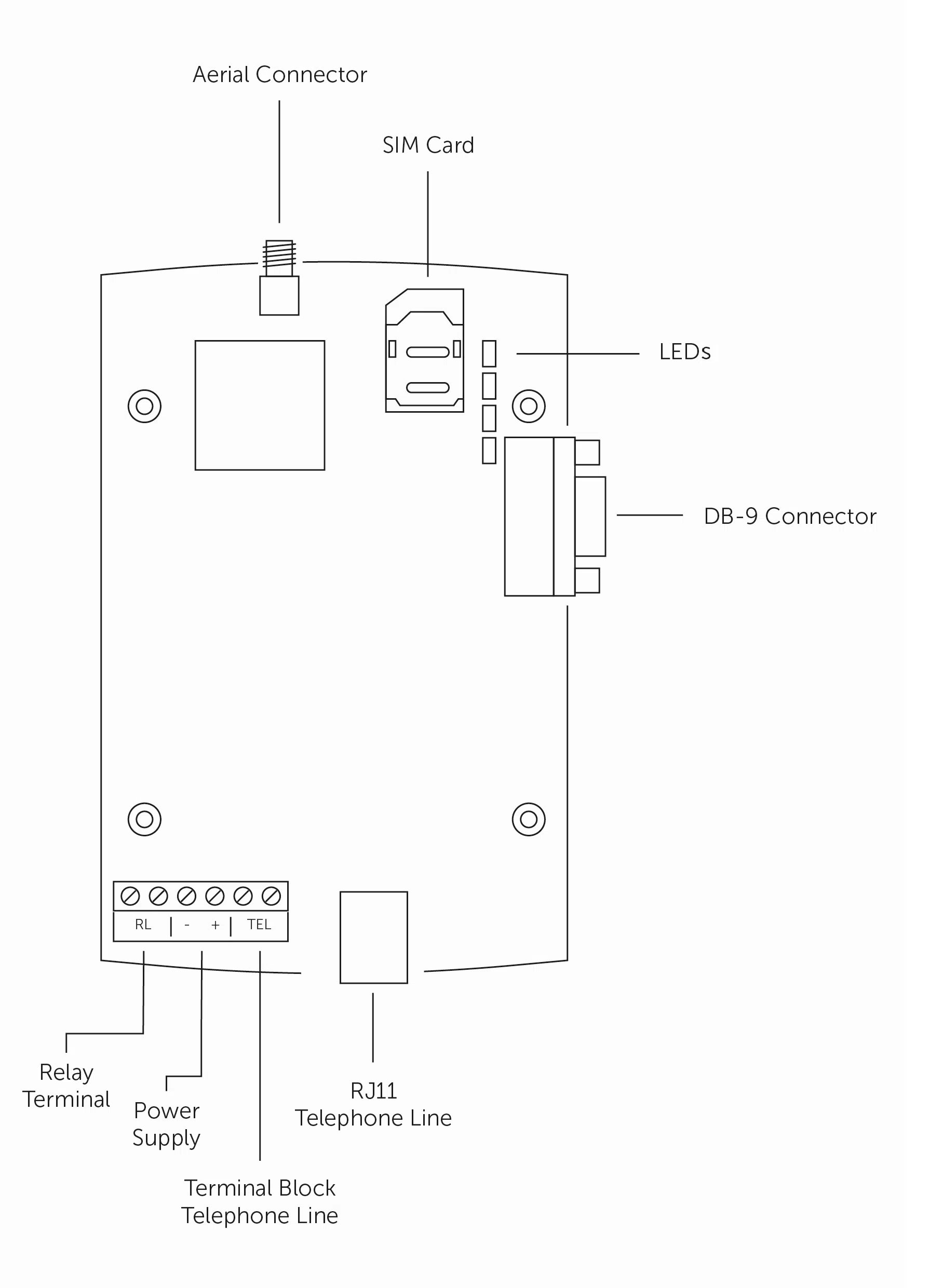
Step 3. Wiring

Step 4. Testing

Step 5. Online configuration (only needed if reconfiguration from default is required)

Technical Specs

Technical Specifications

Key Features

  • Converts PSTN calls from auto-diallers and PABX to 4G VoLTE
  • Provided with a CSL roaming SIM with 2G and 3G backup
  • Incoming power supply 10-17v DC
  • 8hrs standby/2hrs talk time backup battery
  • Pre-programmed with CSL’s private APN details
  • Easy and quick to install

Specifications

Dimensions 140x96x28 mm
Weight 220g
Operating temperature -10c to + 55c
Humidity 0-90% non-condensing
Warranty 2 years
Antenna 50 ohm (nominal) magnetic base antenna with cable (2m) and SMA connector
Power Input 230v 50Hz via AC adapter and plug socket. Output 12v DC 500mA
OR
10-17v DC via terminal block
Battery MiMH 800 mAH 7.2v
8hrs standby
2hr talk time
Power consumption (with battery connected) 60mA (standby)
100mA (line picked up)
150mA (voice call in operation)
Relay input 24v 1A
User serviceable parts There are no serviceable parts with the VoiceLink range
Radio frequencies 4G bands – B1, B3, B7, B8, B20, B28A
3G bands – B1, B3, B8
2G bands – B3, B8
LTE – Cat 1
Applicable conformity EN 62368-1
ETSI EN 301 489-1
ETSI Draft EN 301 489-52
EN 12015
EN 12016
ETSI EN 301 908-1
ETSI EN 301 908-13

FAQs

How easy is it to install my VoiceLink device?

What should I do if the Power LED is off?

What should I check before setting up the device?

How do I test if VoiceLink is working after setup?

What does it mean if there is no white LED?

What does a blinking blue LED mean?

How do I customise the settings on my VoiceLink device/s?