Handleiding

Overzicht

Introductie

Stap 1. Locatieonderzoek

Stap 2. Installatie

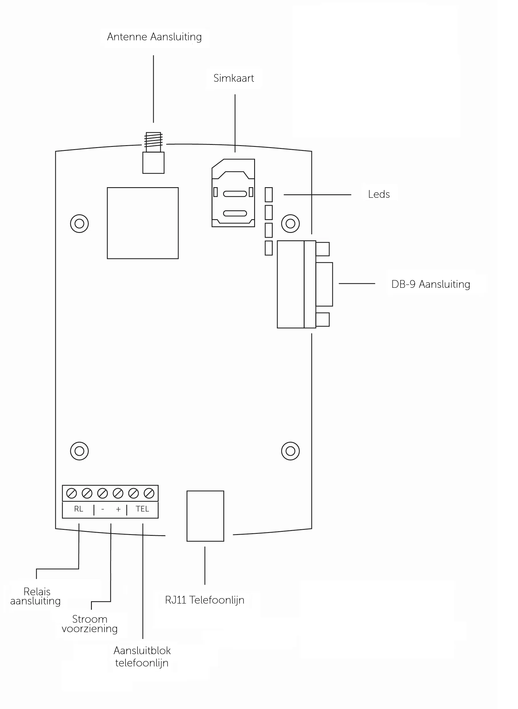
Stap 3. Bedrading

Stap 4. Testen

Stap 5. Online configuratie (enkel bij herconfiguratie vanaf default)

Technische specificaties

Technische Specificaties

Belangrijkste kenmerken

  • Zet PSTN-gesprekken van auto-diallers en PABX om naar 4G VoLTE.
  • Geleverd met een 4G CSL Roaming SIM met 2G back-up.
  • Inkomende voeding 10-17v DC.
  • 8 uur stand-by/2 uur gesprekstijd back-up batterij.
  • Vooraf geprogrammeerd met CSL’s privé APN gegevens.
  • Gemakkelijk en snel te installeren.

Specifications

Afmetingen 140x96x28 mm
Gewicht 220g
Temperatuur -10°C to + 55°C
Vochtigheid 0-90% niet-condenserend
Garantie 2 jaar
Antenne 50 ohm (nominaal) magnetische basisantenne met kabel (2m) en SMA-connector
Vermogen Ingang 230v 50Hz via AC-adapter en stopcontact. Uitgang 12v DC 500mA
OF
10-17v DC via aansluitblok
Batterij MiMH 800 mAH 7.2v
8 uur stand-by
2 uur gesprekstijd
Stroomverbruik (met batterij) 60mA (stand-by)
100mA (lijn opgenomen)
150mA (spraakoproep in werking)
Relais ingang 24v 1A
Onderdelen die door de gebruiker kunnen worden vervangen Er zijn geen onderhoudsgevoelige onderdelen binnen het VoiceLink range
Radio frequencies 4G bands – B1, B3, B7, B8, B20, B28A
3G bands – B1, B3, B8
2G bands – B3, B8
LTE – Cat 1
Geldende normen EN 62368-1
ETSI EN 301 489-1
ETSI Draft EN 301 489-52
EN 12015
EN 12016
ETSI EN 301 908-1
ETSI EN 301 908-13

Veelgestelde vragen

Hoe eenvoudig is het om mijn VoiceLink apparaat te installeren?

Wat moet ik doen als het voedingslampje uit is?

Wat moet ik controleren voordat ik het apparaat installeer?

Hoe test ik of VoiceLink werkt na de installatie?

Wat betekent het als er geen witte LED is?

Wat betekent een knipperende blauwe LED?

Hoe pas ik de instellingen van mijn VoiceLink-apparaat aan?