Guía Rápida

Visión general

Introducción

Paso 1. Estudio del terreno

Paso 2. Instalación

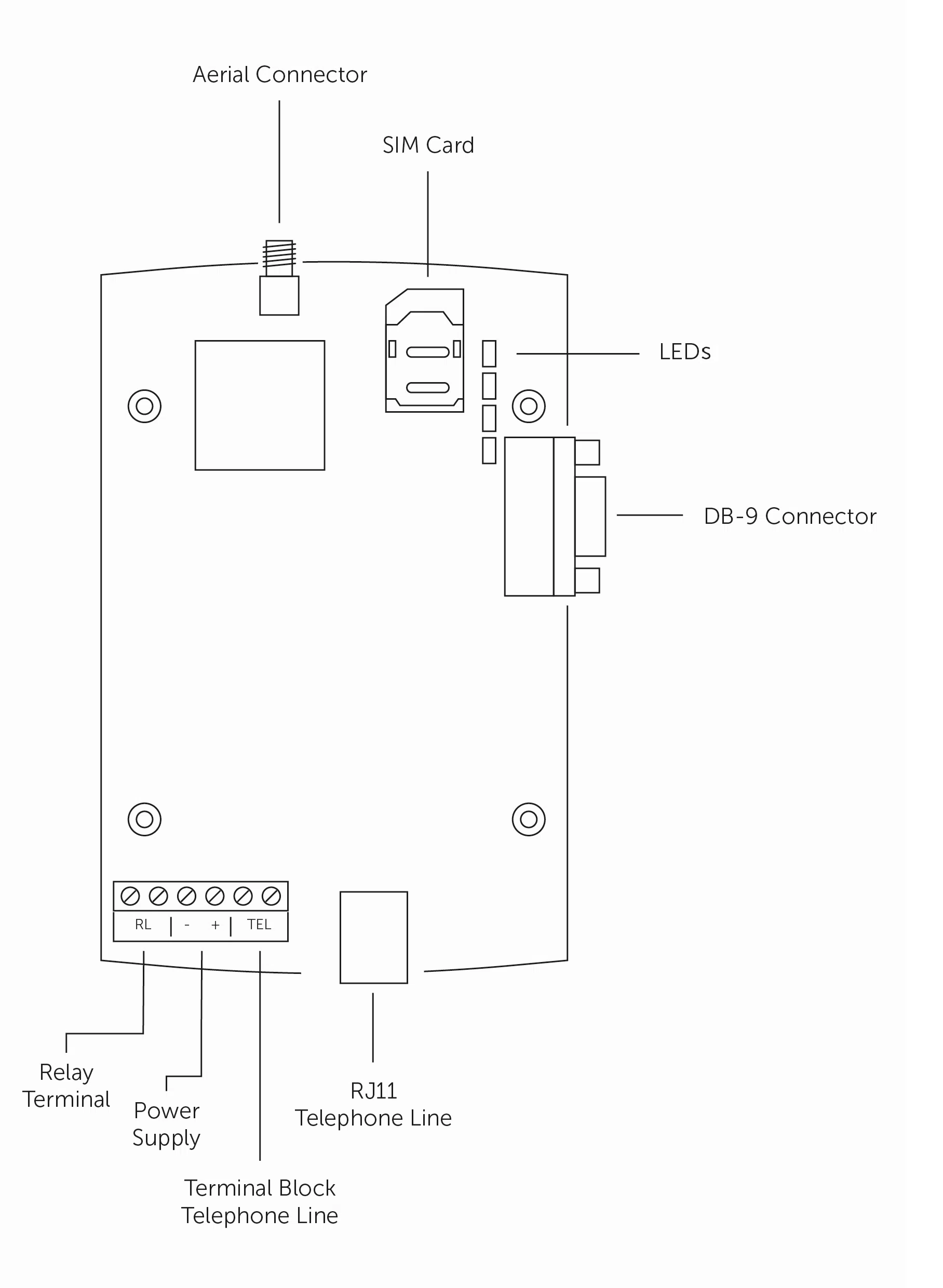
Paso 3. Cableado

Paso 4. Testeo

Paso 5. Configuración en línea (sólo necesaria si se requiere una reconfiguración a partir de la configuración por defecto)

Especificaciones Técnicas

Especificaciones Técnicas

Características Principales

  • Convierte las llamadas RTC de marcadores automáticos y PABX a 4G VoLTE
  • Se suministra con una SIM roaming CSL con respaldo 2G y 3G
  • Alimentación entrante 10-17v DC
  • Batería de reserva de 8 h en espera / 2 h en conversación
  • Preprogramado con los detalles APN privados de CSL
  • Fácil y rápido de instalar

Especificaciones

Dimensiones 140x96x28 mm
Peso 220g
Temperatura de funcionamiento -10c to + 55c
Humedad 0-90% sin condensación
Garantía 2 años
Antena Antena de base magnética de 50 ohmios (nominal) con cable (2 m) y conector SMA
Potencia Entrada 230v 50Hz mediante adaptador de CA y enchufe. Salida 12v DC 500mA
O
10-17v CC mediante bloque de terminales
Batería MiMH 800 mAH 7,2v
8 horas en espera
2 h en conversación
Consumo de energía (con la batería conectada) 60mA (en espera)
100mA (línea captada)
150mA (llamada de voz en funcionamiento)
Entrada de relé 24v 1A
Piezas reparables por el usuario Con la gama VoiceLink no hay piezas reparables
Frecuencias de Radio Bandas 4G – B1, B3, B7, B8, B20, B28A
Bandas 3G – B1, B3, B8
Bandas 2G – B3, B8
LTE – Cat 1
Normativa Aplicable EN 62368-1
ETSI EN 301 489-1
ETSI Draft EN 301 489-52
EN 12015
EN 12016
ETSI EN 301 908-1
ETSI EN 301 908-13

FAQs

¿Es fácil instalar mi dispositivo VoiceLink?

¿Qué debo hacer si la luz LED de encendido está apagada?

¿Qué debo comprobar antes de configurar el dispositivo?

¿Cómo puedo comprobar si VoiceLink funciona después de configurarlo?

¿Qué significa que no haya ninguna luz LED blanca encendida?

¿Qué significa un LED azul parpadeante?

¿Cómo puedo personalizar los ajustes de mi dispositivo VoiceLink?